News center
新闻中心
News center
新闻中心
2022-11-07??作品声明:内容由AI生成
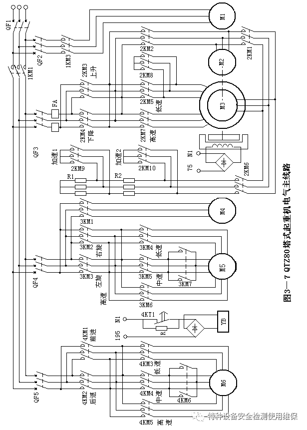
塔式起重机一般采用电力驱动,所有工作机构均由电动机提供动力。
我们先来看看三速电机的控制原理图。有些电机(如鼠笼式)是通过改变线圈绕组(定子绕组)的接线来调节的,如星形(Y形)变成三角形(形)(4级到6级),双Y型变成单Y型,(4级到8级)。通过线圈的外拉接头和接触器的配合来改变绕组线圈的电压,从而改变电机的转速。这只是双速,三速的会再加一套绕组。

SB1是停止按钮,SB2是开始按钮,KA是中间继电器,KT1和KT2是时间继电器。这是一个三速电机启动后自动逐步加速的控制图。
按下SB2后,KA线圈工作并自锁,KM1和ST1工作,这意味着电机处于一档。ST2也有效果。
ST1工作3秒后,KM1断电,同时KM2工作。这是马达的第二档。
ST2工作6秒后(一般有3-5秒的延时),KM2断电,KM3和KM4工作,KM3和KM4自锁,KA断电,KT2断电。这是第三档。
KM1、KM2、KM3和KM4档位之间有联锁。ST1在工作的时候,ST2也一直在工作。3秒(设置)后,ST1将断开KM1,然后接通KM2。6秒(设置)后,ST2将断开KM2,然后接通KM3和KM4。至于主电路电机的绕组连接,你有兴趣再画。

这是塔式起重机的主电路图。小车和回转是双速鼠笼式电机。主钩由卷绕电机控制。再来讨论一下绕线电机的调速。
M2是刹车上的小型液压马达,M3是主马达(绕线式),外接大型可变电阻箱。
升降控制的具体控制原理如下:(先看看,顺便复习读图)
操作升降控制开关SA1置于不同档位,可以低、中、高速升降。
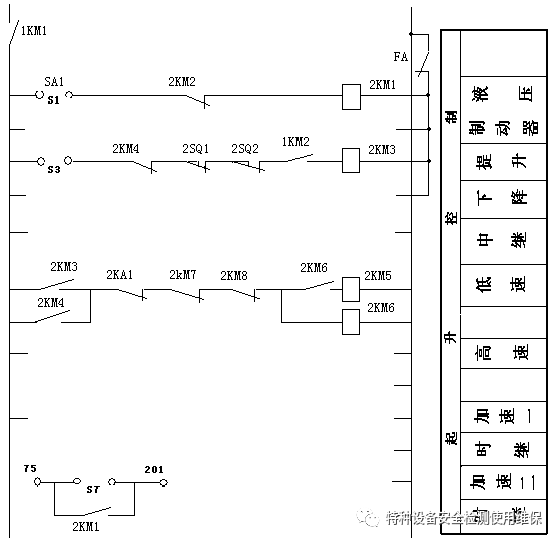
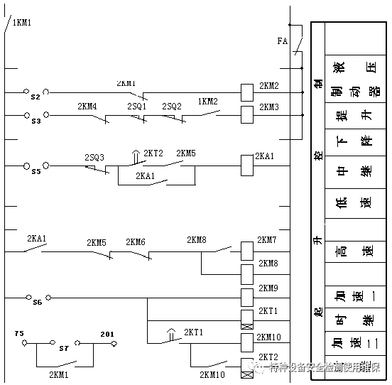
提升控制电路如图3-11所示。为了便于分析电气控制过程,对起升状态下五个档位对应的控制电路进行了详细描述,如图3-12-15所示。

3-11提升控制电路
1.当控制开关设置为向上一档时,S1 S3闭合,控制电路分解为图3-12。2KM1电及转矩限制接触器1KM2触点处于闭合状态,2KM3电使低速支路长开触点闭合,2KM6、2KM5相继通电,对应主线2KM6闭合,所有转子电阻接通,2KM1闭合,转子电压加到液压制动电机M2使其处于半制动状态,2KM5闭合,滑环电机M3定子绕组8段连接,2KM3闭合,电机电功率低速正转(上升)。由线间变压器201分接的110V AC通过2KM1触点然后通过线75连接到桥桩,并且启动涡流制动。

图3-12提升装置I控制电路分解图
2.当控制开关拨到二档时,S2、S3、S7闭合,S1断开,使2KM1失电,制动支路2KM1的常闭触点复位。S2开2KM2,S3开2KM3,控制电路分解成图3-13。主回路2KM1断开,2KM2闭合,三相交流电直接作用于液压制动马达M2,制动器完全释放。S7闭合使涡流制动器保持制动状态,2KM5和2KM6仍然闭合,电机仍然八段连接,低速正转(上升)。
3.当控制开关拨到第三档时,S2和S3闭合,电路状态与第二档相同,只是S7断开释放涡流制动。

图3-13提升II和III控制电路分解图
4.当控制开关拨到四档时,S2、S3、S6闭合,S6闭合接通2KM9和时间继电器2KT1,触点延时接通2KM10再接通2KT2。由于主电路电机转子先后被2KM9和2KM10闭合,电阻R1和R2相继短路,电机加速两次。
继电器控制支路触点2KT2延时闭合,为下一个s做准备
5.当控制开关拨到档时,S2、S3、S5、S6闭合,S5闭合,使中间继电器2KA1电气自锁(I档触点2KM5闭合),其常闭触点动作切断低速支路,2KM5失电,常闭触点复位接通高速支路,接触器2KM8、2KM7相继通电,如图3-15所示。
主电路转子电阻持续短路,触点2KM5开路,2KM8闭合,电机定子绕组接四级,触点2KM7闭合,电机高速运行。

图3-15升降装置v控制电路分解图
知道了电路控制的原理,我们就可以通过在电路中加入各种限制来实现自动?;ず涂刂?。线路?;ぴ谄鹕刂葡呗分信溆信ぞ爻薇;?SQ1、起升高度限制?;?SQ2、高速重量限制?;?SQ3。?;ぴ砣缦拢?/p>
扭矩超限?;?,当扭矩超限时,2SQ1动作,起升线被切断,2KM3断电,起升动作停止。同时,在主电源控制电路中单独设置的转矩保护接触器的??サ?KM2再次提供转矩?;?。
限高保护:当提升高度超限时,限高?;た?SQ2动作,提升线被切断,2KM3断电,提升动作停止。
高速限重?;ぃ嚎刂瓶卦诘凳保ㄗ尤谱樗募读?,转子电阻短路,电机高速运转。若起重量超过15吨,过载开关2SQ3动作,2KA1断电,2KM7、2KM8相继断电,2KM6、2KM5相继通电。电机定子绕组由四级连接变为八级连接,转子电阻R1和R2连接,电机低速运行。
提升控制电路与瞬时限流保护器FA的常闭触点相连。当电机定子电流超过额定电流时,FA动作,切断升降控制电路中相关控制器件的电源,电机停止运行。
在突然断电的情况下,液压制动M2失去动力制动起升电机,以避免被吊物的载荷下降。
今天说到升降控制电路,落差都差不多,只是涡流制动有点不一样。我们以后再谈。

| 版权免责声明:联盟致力于好文共享,推送文章部分源于网络,版权归原作者所有,若涉及版权问题,烦请原作者联系我们,我们会在24小时内删除处理,谢谢! |