News center
新闻中心
News center
新闻中心
2022-11-08??作品声明:内容由AI生成
工业控制的核心是电机控制,电机控制的核心是接触器,接触器线圈控制的常规元件是按钮开关。今天就简单介绍一下按钮开关在二次控制回路中的功能、使用以及安装方式。。

电机点动常用于工业控制中进行调试和维护。在这种状态下,需要人为的控制运动的时间来检查电路的运行状态。

回路说明:在这个控制回路中,手动按下这个按钮,然后回路接通。松开后,按钮弹出,回路断开。通过手动上下按压,接触器吸合释放,进一步实现电机的点动功能。
电机的启动是工业控制中的基本电路之一,在电动机控制的启动阶段中常用,经常与停止一起使用。

回路说明:在本电路的控制中,使用的按钮开关与点动电路一致。只有接触器的辅助??サ悴⒘诎磁タ氐牧蕉?,才能实现电路的接通和自锁功能。使用的按钮开关是一个标准的自复位按钮,带有一组??サ恪?/p>
这个回路是比较简单完整的控制回路,可以是控制电动机的启动和停止。它通常用于相对简单的工业控制。

回路说明:在本电路的控制中,自复位1NO按钮仍然用于启动。在电路中按下按钮开关后,接触器线圈被电吸引,接触器主电路接通电机开始工作,接触器辅助常开常闭,电路自锁,完成启动。开关的常闭触点串联在电路中。按下按钮,电路断电,接触器线圈断电电路断开,电机停止工作。
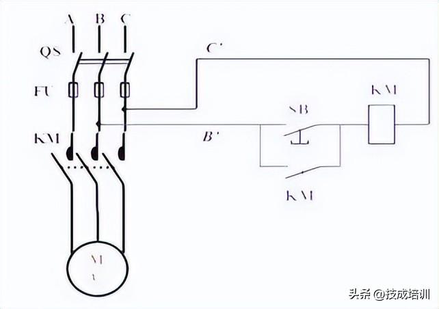
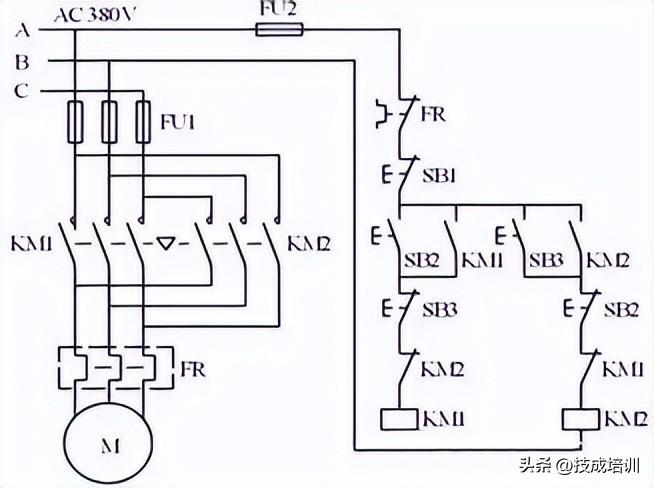
此电路增加了电机的反转控制功能,需要电动机正转和反转的回路中中常用,在一些常见的农业机械中应用广泛。

回路说明:在这个电路中,通过控制电机的接线相序,实现电机的正转和反转。两个接触器分别实现换相后的正转控制和反转控制。在控制电路中,分别控制两个接触器线圈的吸合和释放,要求两个接触器不能同时得电。所以在回路控制中,除了出口按钮的自锁启动外,还增加了联锁,即在回路中增加了另一个按钮的常闭触点和另一个接触器的常闭触点;因此,电路中选择的触点为1N0 1NC。